¶¶È¦

ÁªÏµ¶¶È¦| ÉèΪÊ×Ò³| ¼ÓÈëÊÕ²Ø
°ì¹«OA ΢ÐÅ
ÄúÄ¿½ñµÄλÖÃÊÇÔÚ£ºÊ×Ò³ > ÐÂÎÅÖÐÐÄ > ͨ¸æ¹«Ê¾
¶¶È¦1#¸ÚλÄཬ³ØÖÕ¶ËÖÐת³¡×°±¸½¨É蹤³ÌÕбêͨ¸æ
½ÒÏþʱ¼ä£º2020-06-15 16:00:06    ä¯ÀÀÁ¿£º1544´Î    ×÷Õߣº    ÈªÔ´£º

1.ÕбêÌõ¼þ

¶¶È¦1#¸ÚλÄཬ³ØÖÕ¶ËÖÐת³¡½¨É蹤³Ì  £¬ÕбêÈËΪÎÂÖÝÊж¶È¦É°Ê¯ÁÏÓÐÏÞ¹«Ë¾  £¬½¨Éè×ʽðÀ´×Ô×Ô³ï  £¬ÏîÄ¿³ö×ʱÈÀýΪ100%¡£ÏîÄ¿ÒѾ߱¸ÕбêÌõ¼þ  £¬ÏÖ¶Ô¸ÃÏîÄ¿µÄÊ©¹¤¾ÙÐйûÕæÕбê¡£

2.¹¤³Ì¸Å¿öÓëÕÐ±ê¹æÄ£

2.1½¨ÉèËùÔÚ£º¶¶È¦Æð²½Çø4#ÄÚ £»

2.2½¨Éè¹æÄ££º°üÀ¨Äཬ¹ÜµÀ¡¢Äཬ±Ã¡¢Äཬƽ̨µÈ½¨Éè £»

2.3ÕÐ±ê¹æÄ££º¶¶È¦1#¸ÚλÄཬ³µÔËÖÕ¶ËÖÐת³¡×°±¸½¨Éè £»

2.4¹¤³ÌͶ×Ê£º±¾´ÎÕбêµÄ×î¸ßÏÞ¼Û19.68ÍòÔª £»

2.5ÍýÏ빤ÆÚ£º30ÈÕÀúÌì £»

2.6ÖÊÁ¿ÒªÇ󣺼°¸ñ¡£

3.Ͷ±êÈË×ʸñÒªÇó

3.1±¾´ÎÕбêÒªÇóͶ±êÈËÐë¾ß±¸£ººâÓîÐÞ½¨¹¤³ÌÊ©¹¤×ܳаüÈý¼¶¼°ÒÔÉÏ×ÊÖÊ  £¬²¢ÔÚÖ°Ô±¡¢×°±¸¡¢×ʽðµÈ·½Ãæ¾ßÓÐÏìÓ¦µÄÊ©¹¤ÄÜÁ¦¡£

ÏîÄ¿ÈÏÕæÈË£¨ÏîĿ˾Àí£©Ðë¾ß±¸£ººâÓîÐÞ½¨¹¤³Ìרҵ¶þ¼¶¼°ÒÔÉÏ×¢²áÖÆ×÷ʦִҵ×ʸñ¡£

3.2±¾´ÎÕб겻½ÓÊÜÍŽáÌåͶ±ê¡£

4.ÕбêÎļþµÄ»ñÈ¡

4.1·²ÓÐÒâ¼ÓÈëͶ±êÕß  £¬ÇëǰÍùÎÂÖÝÊж¶È¦É°Ê¯ÁÏÓÐÏÞ¹«Ë¾209°ì¹«ÊÒ±¨Ãû¡£

4.2 ±¨Ãûʱ¼ä£º2020Äê06ÔÂ15ÈÕ¡ª2020Äê06ÔÂ18ÈÕ  £¬ÉÏÎç09:00-11:30  £¬ÏÂÖç14:30-16:30£¨±±¾©Ê±¼ä  £¬ÏÂͬ£© £»

5.Ͷ±êÎļþµÄµÝ½»

5.1 Ͷ±êÎļþµÝ½»µÄ×èֹʱ¼ä£¨Í¶±ê×èֹʱ¼ä  £¬ÏÂͬ£©£º2020Äê06ÔÂ19ÈÕ10ʱ00·ÖÖ¹ £» 

5.2 ÓâÆÚËÍ´ïµÄ»òÕßδËÍ´ïÖ¸¶¨ËùÔÚµÄͶ±êÎļþ  £¬ÕбêÈ˲»ÓèÊÜÀí¡£

6.ÆäËûÓйØÄÚÈÝ

6.1ÆÀ±êÒªÁ죺×îµÍ¼ÛÖбê £»

6.2Öб귽·¨£º¾­ÒµÖ÷ÆÀ±êС×éÉóºËÇкÏÒªÇó  £¬Ô­ÔòÉÏÒÔ±¨¼Û×îµÍµÄµ¥Î»ÎªÖб굥λ  £¬±¨¼ÛÏàͬ  £¬Ôò³éÇ©¾öÒéÖб굥λ £»

7.ÁªÏµ·½·¨

ÕбêÈË£ºÎÂÖÝÊж¶È¦É°Ê¯ÁÏÓÐÏÞ¹«Ë¾

µØµã£ºÎÂÖÝÊÐÁúÍå±õº£¿Õ¸ÛÐÂÇø½ðº£¶þµÀ¶¶È¦°ü¹Ü»ùµØ

Áª ϵ ÈË£ºÇ®ÏÈÉú

µç   »°£º85851963

 

 

ÎÂÖÝÊж¶È¦É°Ê¯ÁÏÓÐÏÞ¹«Ë¾

2020Äê06ÔÂ15ÈÕ

¸½¼þ£º1.¸½¼þ.doc

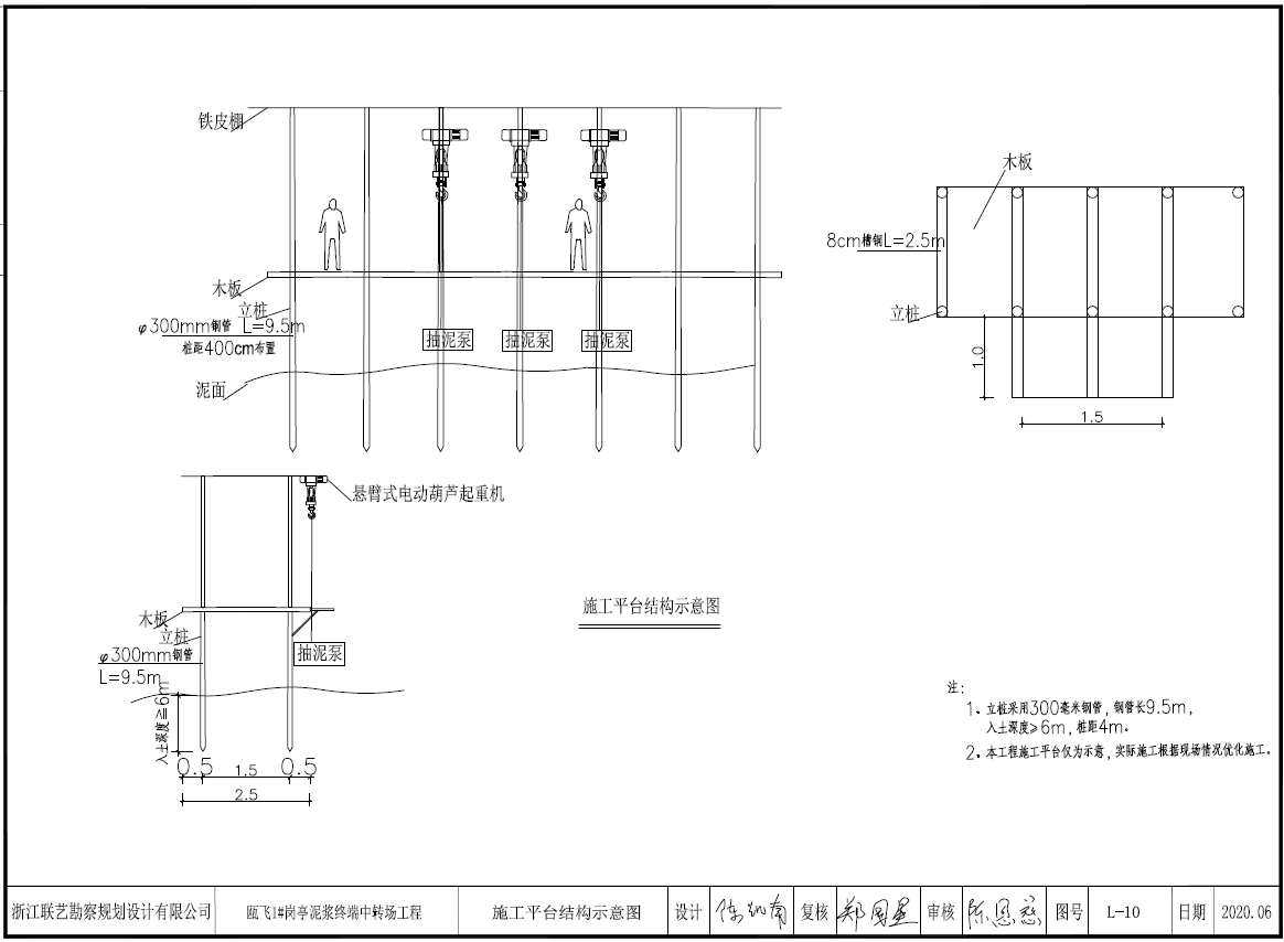
    2.½á¹¹Ê¾Òâͼ.png



 


¡¾×ÖÌå´óС£º´ó ÖРС¡¿
¡¾·µ»Ø¡¿¡¾´òÓ¡¡¿¡¾¹Ø±Õ¡¿